التلقائي نظام توزيع السائل
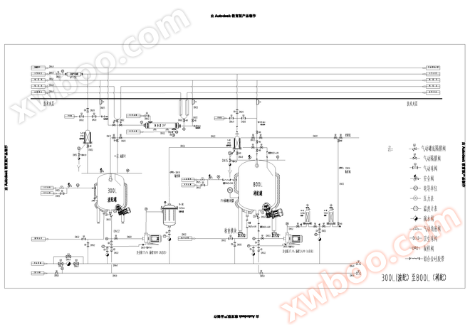
من أجل تلبية متطلبات برنامج الرصد العالمي الجديد ، أتمتة الإنتاج في صناعة المستحضرات الصيدلانية قد تم تطبيقها على نطاق واسع ، ولا سيما في مصنع الأدوية . استنادا إلى اتجاه أتمتة الإنتاج في صناعة المستحضرات الصيدلانية ، وشركتنا البحوث وتطوير نظام التحكم الآلي السائل الاستغناء ، ليس فقط لتحقيق أتمتة السائل الاستغناء عن النظام برمته ، ولكن أيضا تحقيق على الانترنت CIP التنظيف على الانترنت رشفة التطهير ، وفي الوقت نفسه تحقيق على الانترنت اختبار سلامة غشاء مسامي فلتر عنصر . على سبيل المثال ، 300L تركيز التوزيع ، ثم المقابلة تمييع توزيع حجم خزان 800L . تركيز التوزيع : أقل من التحريك - التحريك المغناطيسي ، المخفض الألمانية " سو " المخفض ، قوة المحرك 0.75kw ؛ أسفل خزان هوائي صمام الحجاب الحاجز dn32 ; التدفئة الكهربائية جهاز التنفس ، 5 ″ × 1 السليكوون الأساسية ، 0.22 μ م ؛ ميزان الحرارة الرقمي واجهة - العقيم شفة نوع ; العرض الرقمي قياس مستوى واجهة - العقيم شفة نوع ; أخذ العينات صمام واجهة - العقيم شفة نوع ; بسرعة تركيب فتحة ، جزءا لا يتجزأ من مصباح مرآة ، الحجاب الحاجز قياس الضغط ، صمام الأمان مع انفجار القرص ؛ مدخل البخار صمام مقعد ، صمام هوائي المكثفات منفذ ؛ و عدة واجهات سريعة - مدخل السائل تدفق متر . تمييع خزان توزيع التكوين : تمييع خزان توزيع هو مفتاح خزان السائل الطبية التي تؤثر بشكل مباشر على نوعية توزيع السائل ، لذلك متطلبات التكوين عالية نسبيا . تحت التحريك - التحريك المغناطيسي ، المخفض مصنع في ألمانيا " سو " المخفض ، قوة المحرك 1.5kw ؛ أسفل خزان هوائي صمام الحجاب الحاجز dn32 ; التدفئة الكهربائية جهاز التنفس ، 5 ″ × 1 السليكوون فلتر عنصر ، 0.22 ميكرون . ميزان الحرارة الرقمي واجهة - العقيم شفة نوع ; الرقم الهيدروجيني متر واجهة - العقيم شفة نوع ; أخذ العينات صمام واجهة - العقيم شفة نوع ; بسرعة تركيب فتحة ، جزءا لا يتجزأ من مصباح مرآة ، الحجاب الحاجز قياس الضغط ، صمام الأمان مع انفجار القرص ؛ مدخل البخار صمام مقعد ، صمام هوائي المكثفات منفذ ؛ و بعض الوجبات تركيب واجهات .
السائل الاستغناء عن التنظيف CIP ، المسبار تطهير السائل الاستغناء عن النظام برمته تلقائيا من خلال برنامج مراقبة المجلس التشريعي الفلسطيني ، وطباعة بعض المعلمات من خلال الطابعة . من خلال تحليل المعلمات ، يمكننا أن نحكم على ما إذا كان السائل الاستغناء عن النظام هو الصحيح ، CIP التنظيف ، رشفة التطهير هو مؤهل أم لا .
الموصلية متر مثبت في الجزء السفلي من خزان توزيع السائل لتحديد درجة تنظيف خزان وخطوط الأنابيب . ومن الجدير بالذكر أن الموصلية الكهربائية من الماء المقطر هو 0.05-0.1 μ S / سم ، الموصلية الكهربائية تنقية المياه هو 1.0-10 μ S / سم . في عملية التنظيف ، إذا كان يتم غسلها مع تنقية المياه ، تنظيف درجة يعتمد على نطاق التوصيل من تنقية المياه . إذا كان غسلها بالماء المقطر ، درجة التنظيف يعتمد على الموصلية الكهربائية مجموعة من الماء المقطر . في عملية تنظيف الأنابيب ، التوصيل الكهربائي متر يجب أن تسيطر عليها ، في عملية التنظيف ، عرض قيمة التوصيل الكهربائي على خط أنابيب يمكن ملاحظتها ، ودرجة تنظيف الأنابيب يمكن تحليلها من خلال مقارنة الموصلية الكهربائية مجموعة من الماء المقطر والمياه النقية .
درجة حرارة التعقيم يجب أن تؤخذ في الاعتبار في عملية التطهير من المسبار نظام توزيع السائل ، لذلك كل وعاء يتم توفيرها مع الفولاذ المقاوم للصدأ ميزان الحرارة الهاتفي . درجة حرارة البخار المشبع المستخدمة في التعقيم هو 121 درجة مئوية ، وتطهير مستمر لمدة 30 دقيقة في هذه العملية ، البخار النقي هو تحويلها إلى الماء المكثف ، الماء المكثف هو تفريغها من خلال هوائي صمام الحجاب الحاجز في قاع الخزان ، هوائي صمام الحجاب الحاجز على خط أنابيب هوائي صمام الكرة الصحية .
